Carrito
- Marca Compatible
- John Deere
- Marca/Modelo
- John Deere - Recambio Original
- Ubi
- A2/B03-3ª *
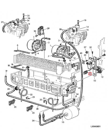
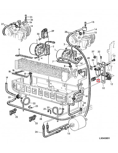
Termostato Aire Acondicionado Tractores John Deere 6100, 6200, 6300, 6400, 6500, 6800 y 6900
Referencia: AL75979, AL82947, 9202-626

Paga tu compra en cómodos plazos
Transferencia Bancaria
Pago con Paypal de manera segura
Pago 100% Seguro con Tarjeta y Bizum
6000
6100 (Europe) , 6200 (Europe) , 6300 (Europe) , 6400 (Europe) , 6500 (North America) , 6800 (Europe) , 6900 (Europe)
¿Necesitas Ayuda?