Carrito
- Ubi
- A5/G05 *
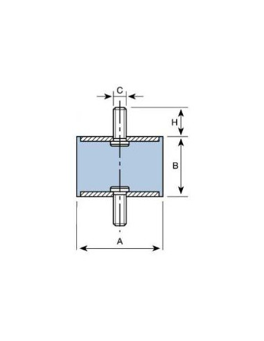
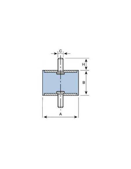
Su elasticidad es mucho más grande en todas las direcciones paralelas a las armaduras que en la dirección perpendicular. El caucho trabaja a compresión o a cizallamiento según sea el sen tido en que se coloque en su montaje. Este sentido se realiza en función de la utilización y del fin que se persigue.
Paga tu compra en cómodos plazos
Transferencia Bancaria
Pago con Paypal de manera segura
Pago 100% Seguro con Tarjeta y Bizum

| A (mm) | B (mm) | C (mm) | H (mm) |
| 30 | 40 | M-8 | 20 |
¿Necesitas Ayuda?