MANGUITO INFERIOR Ø 45 x 45 mm
MANGUITO INFERIOR Ø 45 x 45 mm
MANGUITO INFERIOR Ø 45 x 45 mm
MANGUITO INFERIOR Ø 45 x 45 mm
MANGUITO INFERIOR Ø 45 x 45 mm
MANGUITO INFERIOR Ø 45 x 45 mm

MANGUITO INFERIOR Ø 45 x 45 mm

ATH50507579
10,08 €
IVA inc.

MANGUITO INFERIOR Ø 45 x 45 mm

Referencia: JD34921 , L34921, 154-21 , WP34921

Consulte modelos y medidas en detalles técnicos y aplicaciones. 

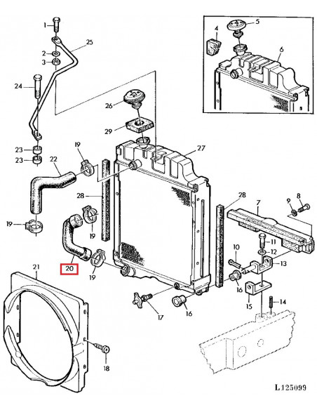
Imagen Despiece figura Nº 20 (Despiece de un 2140)

Imágenes representativas

Otras Refencias Equivalentes

26/154-21

TODAS NUESTRAS OPCIONES DE PAGO...

Paga tu compra en cómodos plazos

Transferencia Bancaria

Pago con Paypal de manera segura

Pago 100% Seguro con Tarjeta y Bizum

Págalo a tu manera
en 3, 6 o 18 meses

Detalles del producto

Marca Compatible
John Deere
A (mm)
245 mm
B (mm)
Ø 45 mm
C (mm)
Ø 45 mm

Descripción

John Deere - Tractor

40
1640 (Espana) , 1640 (Europe) , 1640F (Espana) , 1840 (Espana) , 1840 (Europe) , 1840F (Espana) , 2040 (Espana) , 2040 (Europe) , 2040S (Espana) , 2040S (Europe) , 2140 (Espana) , 2140 (Europe)

50
2350 (North America) , 2550 (North America) , 2750 (North America)

John Deere - Motores

4239D, 4239T

6 otros productos en la misma categoría:

¿Necesitas Ayuda?