Carrito
- Marca Compatible
- John Deere
- Marca/Modelo
- Winex Parts
- A (mm)
- 200 mm
- B (mm)
- 36 mm
- C (mm)
- 36 mm
- Código alternativo
- L34898N (KR)
- Ubi
- A12/F03 *
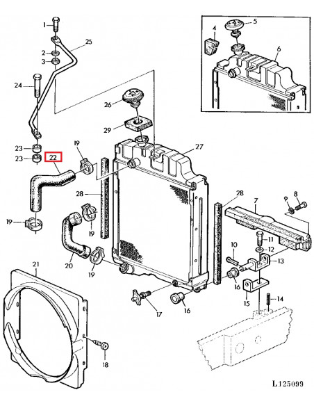
Manguito Superior tractor John Deere varios modelos L34898
Referencia: JD34898, L34898, 153-21, L34898N (KR)
Dimensiones:
Longitud: 200 mm
Diámetro interior 1: Ø 36 mm
Diámetro interior 2: Ø 36 mm
Consulte modelos y medidas en detalles técnicos y aplicaciones.
Despiece de un 2140.

Paga tu compra en cómodos plazos
Transferencia Bancaria
Pago con Paypal de manera segura
Pago 100% Seguro con Tarjeta y Bizum
40
1640 (Espana) , 1640 (Europe) , 1640F (Espana) , 1840 (Espana) , 1840 (Europe) , 1840F (Espana) , 2040 (Espana) , 2040 (Europe) , 2040S (Espana) , 2040S (Europe) , 2140 (Espana) , 2140 (Europe)
50
2350 (North America) , 2550 (North America) , 2750 (North America)
4239D , 4239T
¿Necesitas Ayuda?