Carrito
- Código alternativo
- 005-A45-02 (BGBRT)
- Ubi
- A12/D02 *
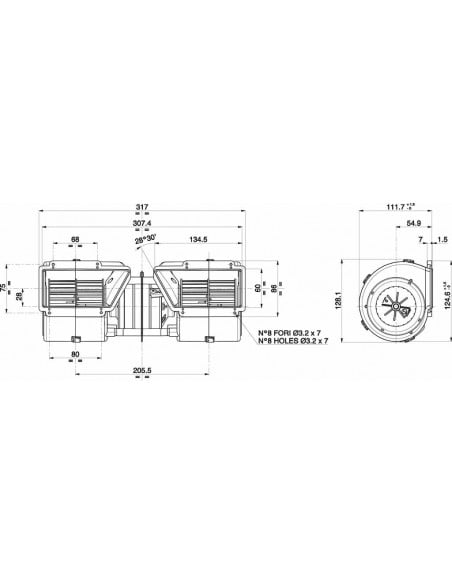
Electro Ventilador aire centrífugo SPAL 12v 2 ejes 3 vel. para cabinas 005-A45-02
Referencia: 005A4502, 005-A45-02 (BGBRT)
Características:
Voltaje: 12v
Consumo (Ah) a 0 H2O: 14.1
Caudal de aire (m³/h): 610
Velocidades: 3
Eje: Doble
Se unifica con el 005A4602

Paga tu compra en cómodos plazos
Transferencia Bancaria
Pago con Paypal de manera segura
Pago 100% Seguro con Tarjeta y Bizum
¿Necesitas Ayuda?